【仿真设计】基于51单片机的倒计时器的设计

设计简介:

本设计是基于单片机的倒计时器的设计,主要实现以下功能:

  • 通过按键可以设置定时时间
  • 在定时期间,红灯每隔5秒亮一次,提示计时正在运行
  • 在定时计数到0时,红灯熄灭,绿灯点亮,提示定时结束

单片机:STC89C52

视频演示

软件安装:

【仿真设计】基于51单片机的倒计时器的设计 1 - 斯塔克电子
【仿真设计】基于51单片机的倒计时器的设计 1 - 斯塔克电子

keil uvision5 MDK RM v5.29 (附注册机+安装教程)

【仿真设计】基于51单片机的倒计时器的设计 4 - 斯塔克电子
【仿真设计】基于51单片机的倒计时器的设计 4 - 斯塔克电子

Proteus v8.15 详细安装教程

资料预览:

仿真设计:

【仿真设计】基于51单片机的倒计时器的设计 7 - 斯塔克电子

总体资料:

【仿真设计】基于51单片机的倒计时器的设计 8 - 斯塔克电子

 

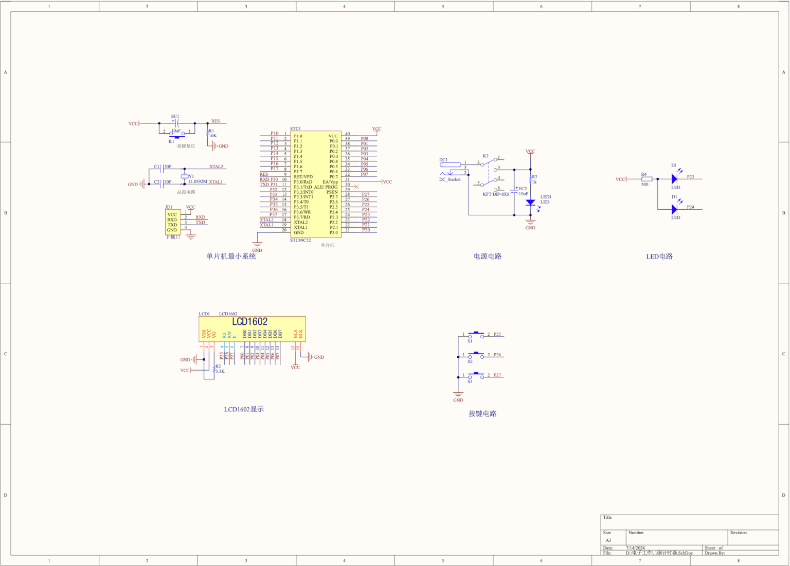
原理图:

【仿真设计】基于51单片机的倒计时器的设计 9 - 斯塔克电子

 

 

计时运行状态仿真图:

【仿真设计】基于51单片机的倒计时器的设计 10 - 斯塔克电子

 

下载权限
查看
  • 免费下载
    评论并刷新后下载
    登录后下载
  • {{attr.name}}:
您当前的等级为
登录后免费下载登录 小黑屋反思中,不准下载! 评论后刷新页面下载评论 支付以后下载 请先登录 您今天的下载次数(次)用完了,请明天再来 支付积分以后下载立即支付 支付以后下载立即支付 您当前的用户组不允许下载升级会员
您已获得下载权限 您可以每天下载资源次,今日剩余
85 条回复 A文章作者 M管理员
  1. user5484

    1111

  2. user5484

    111

  3. user5628

    11

  4. sbsongye

    哈哈哈哈

个人中心
有新私信 私信列表
搜索