设计简介
本设计是基于51单片机开发的人体感应自动门实物设计,具体功能如下:
- 通过人体感应模块检测是否有人。
- 检测到有人,电机正转,同时LED会从中间往两边亮,直至所有LED全亮并且电机不正转,表明门已经完全打开。
- 在30~60秒内,如持续没能检测到人体,系统则自动进入关门状态,电机开始反转,LED从两边往中间开始灭。
编号:L-51-24123101-S1
视频演示
资料预览
PCB预览

总体资料

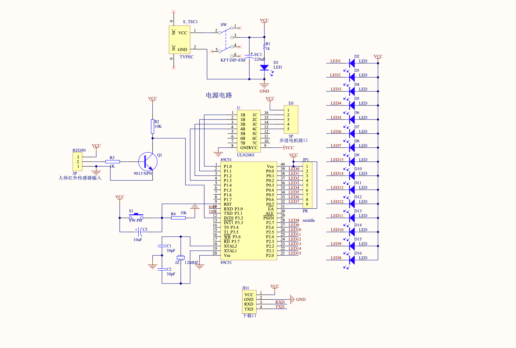
原理图

系统框图
本设计以STC89C52单片机为核心控制器,加上其他的模块一起组成自动门控制系统,其中包含中控部分、输入部分和输出部分。中控部分采用了STC89C52单片机,其主要作用是获取输入部分数据,经过内部处理,控制输出部分。
输入由两部分组成,第一部分是人体在位检测模块,通过该模块可探测检查区域是否有人体存在;第二部分是供电电路,给整个系统进行供电。
输出由两部分组成,第一部分是LED显示电路, 通过该模块可以显示当前自动们的开合状态;第二部分是步进电机电路,当有人体靠近检测区域时,ULA2003A芯片驱动步进电机顺时针旋转模拟开门,人体离开后5秒电机逆时针旋转模拟关门,若在关门过程检测到人体会停止关门动作继续开门。

硬件清单

