设计简介:
本设计是基于 STM32 单片机的空气质量检测系统,主要实现以下功能:
- 可通过 MQ-2、MQ-7、MQ-135 传感器检测当前烟雾浓度、一氧化碳
- 可通过温湿度传感器监测当前温湿度
- 可通过光照强度传感器监测光照强度
- 温度或烟雾浓度可通过步进电机模拟窗户开关
- 测量值超出设定阈值可通过蜂鸣器进行报警
- 可通过按键设置阈值
- 设置继电器控制灯、加湿器、风扇
标签:STM32 单片机、OLED112864、DHT11、BH1750、步进电机、继电器、SU-03T、MQ-2、MQ-7、MQ-135、蜂鸣器
项目扩展:智能家居安防系统、智能大棚控制系统
项目编号:ZL-32-24052302-FZ
视频演示
软件安装:
keil 5 :下载
Proteus v8.15 :下载
资料预览
仿真设计:
 总体资料:
总体资料:

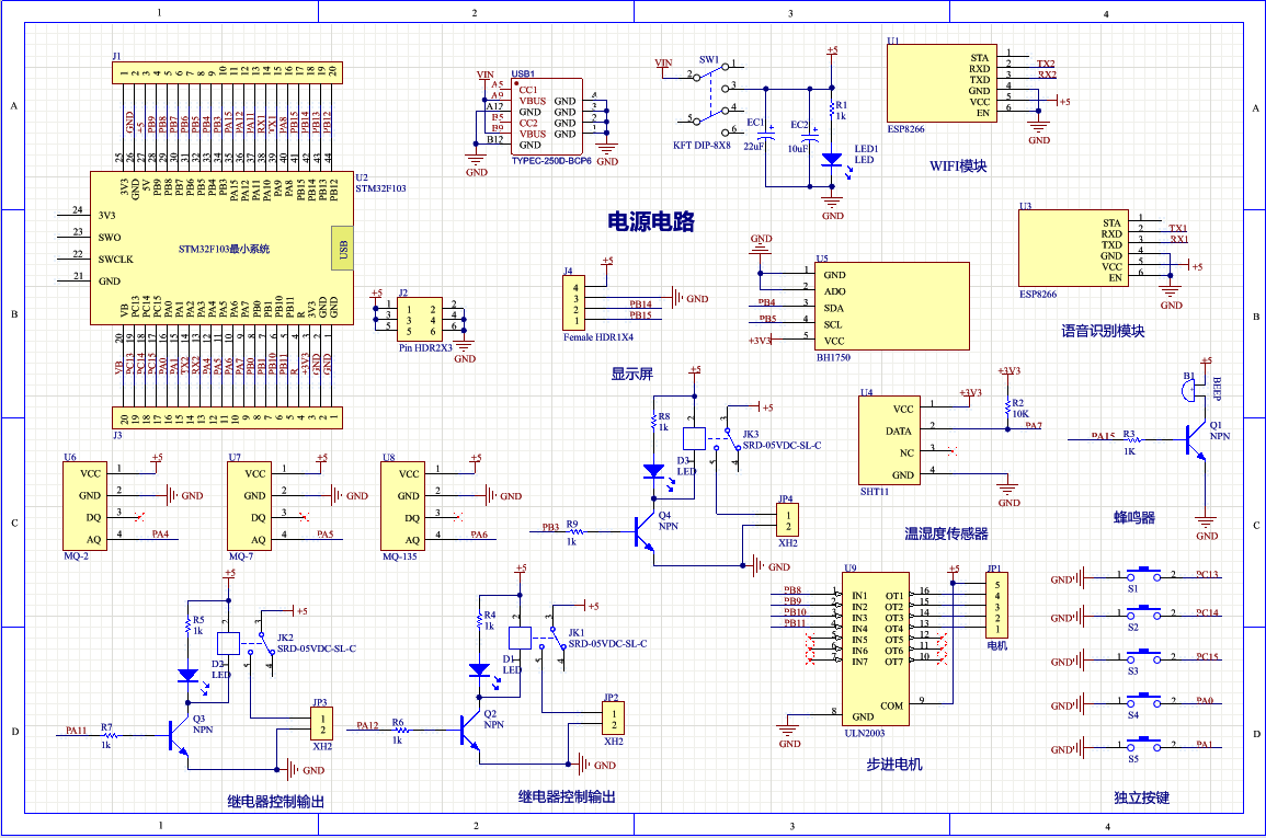
原理图:
 系统框图:
系统框图:
本设计以STM32F103单片机为核心控制器,加上其他的模块一起组成基于单片机的室内空气质量检测的整个系统,其中包含中控部分、输入部分和输出部分。
中控部分采用了STM32F103单片机,其主要作用是获取输入部分数据,经过内部处理,控制输出部分。
输入由八部分组成,第一部分是SU-03T语音识别,接收语音指令识别与播报获取的各项参数值;第二部分是DHT11温湿度传感器,用于获取室内的温湿度值;第三部分是MQ-7二氧化碳传感器,用于获取室内二氧化碳浓度;第四部分是MQ-2烟雾传感器,用于获取室内烟雾浓度;第五部分是MQ-135空气质量传感器,用于检测当前环境质量值;第六部分是BH1750环境光传感器,用于检测室内环境光照强度。第七部分是独立按键,用于切换界面和模式,设置各项参数阈值,开关灯和加湿器;第八部分是供电电路,给整个系统供电。
输出由六部分组成,第一部分是OLED显示屏,可以显示当前温度、湿度、空气质量、光照强度值以及模式等;第二、三、四部分为三个继电器,分别进行控制风扇,灯,加湿器的工作。第五部分是步进电机,模拟控制窗户开关;第六部分是蜂鸣器,获取气体浓度超过限值,蜂鸣器报警。
 软件设计流程(部分):
软件设计流程(部分):
 
 

 总体资料:
总体资料: 系统框图:
系统框图: 软件设计流程(部分):
软件设计流程(部分):